WLW-1000B/1200B(單缸)往復立式無油真空泵,是我公司科技人員自主研發的新產品,該泵結構緊湊.可靠性高、外觀宜人。該產品適用于石油、化工、制藥、冶金等領域的真空輸送、提料、蒸餾、濃縮、變壓吸附、干燥等場合。
產品特點:
1、氣缸采用單缸接結構,外形美觀,結構緊湊,減少了占地面積。
2、進、排氣閥設置在氣缸蓋上部和氣缸圓周面上,方便檢測與維修。
3、在隔腔上設置了進、排氣氣道,降低了進排氣口的高度,在檢修氣缸、氣缸蓋時,不需要拆卸風管,降低維修強度,減少維修工作量。
4、連桿大頭軸瓦和小頭軸瓦為強制油潤滑。潤滑油壓力0.15-0.5MPa,使大頭軸瓦和小頭軸瓦能得到充分潤滑。
5、機身滑道與機身采用分體結構,長期使用后如滑道磨損只需要更換滑道,不需要更換機身,降低長期運行后的維修費用。
規格參數:

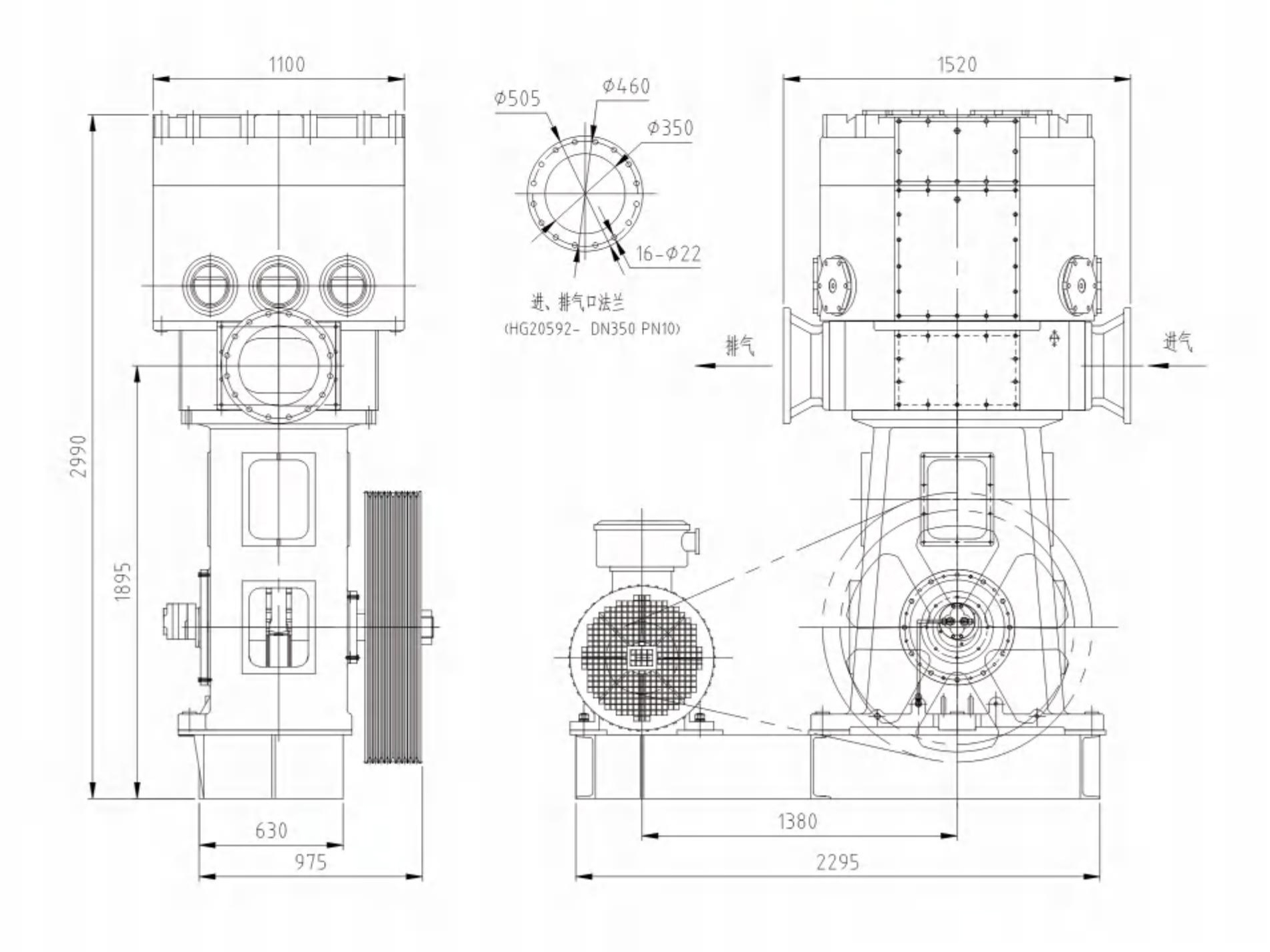
外形及安裝尺寸:



客服1