一、2SK型水環式真空泵概述:
2SK系列水環式真空泵相當于2臺SK系列水環真空泵串聯使用。
因SK系列水環真空泵只能達到-700mmHg的極限真空度,為達到較高真空及高真空下的較大抽氣速率,20世紀80年代國內開發了2SK系列真空泵。
隨著我公司生產的2BV及2BE系列新一代節能型產品的出現,2SK型水環式真空泵將逐漸被取代。
2SK-P1系列兩級水環真空泵-大氣噴射泵機組主要工作在絕壓10~50mmHg下,但其在高真空區效率較低,如需長期運行可選用羅茨水環真空機組,如此可獲得高真空區抽氣最佳效率。
2SK型水環式真空泵和2SK-P1系列兩級水環真空泵—大氣噴射泵機組是用來抽吸空氣和其它無腐蝕性、不溶于水、不含有固體顆粒的氣體以便在密閉容器中獲得較高真空。
2SK型水環式真空泵被廣泛應用于食品、紡織、化工、醫藥和冶金工業及電子領域的真空蒸發、真空濃縮、真空回潮、真空浸漬、真空干燥及真空冶煉等。
2SK系列使用于吸入壓力低于-0.08MPa的工況條件,2SK-P1系列使用于吸入壓力低于-0.096MPa的工況條件。
二、2SK型水環式真空泵特點:
1、比較SK系列單級水環真空泵而言,具有真空度高、在高真空區抽速大等特點。
2、相同抽速率下,軸功率明顯高于2BV、2BE系列水環式真空泵。
3、因結構為雙葉輪結構,制造、維修較為復雜,易損件較多。
三、2SK型水環式真空泵的型號意義:

四、2SK型水環式真空泵的性能參數表:
型號 | 真空最大吸氣量(m3/min) | 電機功率(KW) | 轉速 | 水耗量 | 最大真空度(mmHg) | 最大壓力 | ||||
當真空度為 | ||||||||||
SZ-1 | 1.5 | 0.64 | 0.4 | 0.12 | - | 4 | 1440 | 10 | -640 | 1 |
SZ-2 | 3.4 | 1.65 | 0.95 | 0.25 | - | 7.5 | 1450 | 30 | -660 | 1.4 |
SZ-3 | 11.5 | 6.8 | 3.6 | 1.5 | 0.5 | 22 | 970 | 70 | -700 | 2.1 |
SZ-4 | 27 | 17.6 | 11 | 3 | 3 | 70 | 740 | 100 | -710 | 2.1 |
注:1、表中所列2SK型水環式真空泵性能指標及性能曲線指下列規定條件下的性能指標:
①大氣壓力為0.1013MPa(760mmHg)
②進水溫度15℃
③吸入空氣溫度20℃
④空氣相對溫度70%
2、供水量為吸入壓力-0.05MPa(-400mmHg)時的數值,極限真空時可大于此值。
3、性能允差±10%
五、2SK型水環式真空泵的工作原理及指示圖:
2SK型水環式真空泵工作原理如圖一所示,葉輪(5)偏心地裝在泵體(3)內,當葉輪旋轉時,水受離心力的作用向四周甩出,在2SK型水環式真空泵體內壁與葉輪之間形成旋轉水環(6)。水環上部內表面與葉輪輪轂相接觸,當葉輪沿順時針方向轉動時,在前半轉的過程中,水環內表面逐漸與輪轂脫離,相鄰兩葉片之間所形成的空腔逐漸增大,被抽氣體通過泵進氣管(4),經月牙形吸氣孔(7)不斷被吸入空腔內;后半轉的過程中,水環內表面逐漸與輪轂接近,兩相鄰葉片之間空腔逐漸縮小,氣體被壓縮,因而壓力不斷增加,當壓力增加到大于外界壓力時,氣體被排出,從而不斷地抽走密封容器的氣體,使其形成一定的真空。

圖一:2SK型水環式真空泵工作原理指示圖
1.排氣管2.出氣孔3.泵體4.進氣管5.葉輪6.水環7.吸氣孔
六、2SK型水環式真空泵的結構說明:
①抽氣量1.5m3/min以上2SK水環真空泵的結構如圖二所示,長短兩葉輪17和16用鍵固定在軸2上,兩葉輪中間用軸套20定位,并用園螺母鎖緊,這就構成了整個轉子部分,并且偏心地安裝在泵體內,支承在兩個單列向心球軸承上,轉予部分用聯軸器18與電機軸相聯,使之與電機一起以同樣轉速轉動,長葉輪17、長泵體9和吸入部分組成高真空級,短泵體5、短葉輪16和排出部分組成低真空級,高真空級的排氣口和低真空級的吸入口用連通管聯接(2SK-1.5無此連通管)成為雙級串聯,兩級之間用中間壁(A)7和中間壁(B)6隔開,中間壁(A)上有排氣孔,中間壁(B)上有吸氣口。

圖二:抽氣量1.5m3/min(2SK—1.5)以上兩級水環泵結構圖
1、后軸承壓蓋2、軸3、軸承架4、前后端蓋5、短泵體6、中間壁(B)7、中間壁(A)8、拉緊螺栓9、長泵體10、連通管11、調整墊12、油杯13、前軸承壓蓋14、填料壓蓋15、后蓋園盤16、短葉輪17、長葉輪18、泵聯軸器19、電機聯軸器20、軸套21、進水孔22、前蓋園盤
②2SK-0.4、2SK-0.8兩級水環真空泵結構如圖三所示,其高低真空級結構與圖二所示泵基本相同(無連通管)。采用特制加長軸電機,長、短葉輪用鍵固定于軸上,但可做軸向浮動,偏心地置于長短泵體內。
2SK水環真空泵兩端的密封采用油浸石棉盤根或機械密封。
高真空級的一端有進水孔,補充水由此進入高真空級的長泵體內,低真空級的補充水是由高真空級排出的。(2SK-12、2SK-20、2SK-30低真空級的補充水也從供水管供入一部分,但要通過閥來調節其量的大小)。高、低真空級是由拉緊螺栓而牢固地連接在一起。

圖三:2SK-0.4、2SK-0.8兩級水環真空泵結構圖
1.后蓋2.油杯3.軸承擋圈4.軸承壓蓋子5.填料壓蓋6.軸承架7.排氣圓盤8.短葉輪9.短泵體10.長泵體11.長葉輪12.吸氣圓盤13.前蓋14.進水孔15.底盤16.加長軸電機
七、2SK型水環式真空泵的安裝尺寸圖:
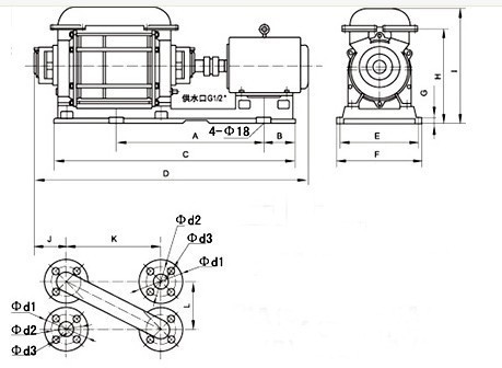
①2SK-1.5、3、6兩級水環真空泵外形及安裝尺寸:

型號 | A | B | C | D | E | F | G | H | I | J | K | L | d1 | d2 | d3 |
2SK-1.5 | 598 | 132 | 938 | 1138 | 340 | 402 | 30 | 400 | 213 | 252 | Φ140 | Φ98 | M12 | ||
2SK-3 | 698 | 192 | 1138 | 1348 | 380 | 462 | 30 | 435 | 523 | 216 | 348 | 160 | Φ150 | Φ110 | Φ14 |
2SK-6 | 856 | 220 | 1388 | 1582 | 398 | 462 | 25 | 518 | 628 | 175 | 450 | 212 | Φ160 | Φ125 | Φ14 |
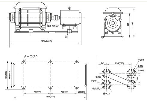
②2SK-12兩級水環真空泵外形及安裝尺寸: |
|
③2SK-20、30兩級水環真空泵外形及安裝尺寸: |
|
八、2SK型水環式真空泵的常見故障原因與解決辦法:
故障 | 2SK型水環式真空泵原因 | 2SK型水環式真空泵解決方法 |
抽氣量不夠 | 1、間隙過大 | 1、調整間隙 |
2、填料處漏氣 | 2、壓緊或更換填料 | |
3、水環溫度高 | 3、增加供水量 | |
4、管道系統漏氣 | 4、擰緊法蘭螺栓,更換墊片或補焊裂紋等。 | |
真空度降低 | 1、管道系統方面 | |
①法蘭聯接處漏氣 | 1、①擰緊法蘭螺栓或更換墊片 | |
②管道有裂紋 | ②焊補或更換 | |
2、水環泵方面 | ||
①填料漏氣 | 2、①壓緊填料更換新填料 | |
②葉輪與側蓋間隙過大 | ②更換墊片調整間隙 | |
③水環發熱 | ③降低供水溫度 | |
④水量不足 | ④增加供水量 | |
⑤零件摩擦發熱,造成水環溫度升高 | ⑤調整或重新安裝 | |
振動或有響聲 | 1、地腳螺栓松動 | 1、擰緊地腳螺栓 |
2、泵內有異物研磨 | 2、停泵檢查取出異物 | |
3、葉片脫落 | 3、更換葉輪 | |
4、氣蝕 | 4、打開吸入管道閥門 | |
軸承發熱 | 1、潤滑油不足 | 1、檢查潤滑情況、加油 |
2、填料壓的過緊 | 2、適當松開填料壓蓋 | |
3、沒供密封水或不足 | 3、供給密封水或增加水量 | |
4、軸承或軸或軸承架配合過緊,使滾珠與內外圈間隙過小,發生摩擦。 | 4、調整軸承與軸或軸承架的配合 | |
起動困難 | 1、長期停機后,泵內生銹 | 1、用手或特制工具轉動葉輪數次 |
2、填料壓緊 | 2、檸松填料壓蓋 | |
3、葉輪與泵體發生偏磨 | 3、重新安裝并調整 |
2SK型水環式真空泵選型須知:
一、請提供以下詳細數據:①2SK型水環式真空泵的產品名稱與型號②2SK型水環式真空泵的真空度要求單位PA或MPA③2SK型水環式真空泵抽速要求單位L/S或M3/MIN④2SK型水環式真空泵的使用與否和工作條件⑤2SK型水環式真空泵的電機功率(KW)⑥2SK型水環式真空泵的電機轉速(r/min)⑦2SK型水環式真空泵的電壓〔V〕⑧2SK型水環式真空泵的進出口口徑⑨2SK型水環式真空泵的材質要求⑩2SK型水環式真空泵是否帶附件,以便我們的為您正確選型。
二、若已經由設計單位選定我公司的2SK型水環式真空泵的產品型號,請按2SK型水環式真空泵型號直接向公司銷售部訂購。
三、當使用的場合非常重要或環境比較復雜時,請您盡量提供設計圖紙和詳細參數,由我們的技術專家為您選型確認。




客服1