一、2BV型水環式真空泵的概述:
2BV系列水環真空泵為整體結構—機泵同軸的單級泵。軸封采用機械密封,具有結構簡單,安裝簡捷、無油、安全可靠等特點。安裝時只需要一水平平面即可,無需底盤
2BV系列水環真空泵及壓縮機被廣泛用于石油、化工、制藥、食品、制糖工業等領域。由于在工作過程中,氣體的壓縮過程是等溫的,所以在壓縮和抽吸易燃易爆氣體時,不易發生爆炸,所以其應用更加廣泛。
2BV型水環式真空泵可連續運轉,適用于抽除氣體和水蒸氣,吸氣壓力可以達到33mbar絕壓(97%真空度)。當用變壓器油作為工作液時(稱為油環真空泵),吸氣壓力可達到6.7mbar絕壓(99.3%真空度),可以完全取代往復式真空泵。當液環真空泵在吸氣壓力接近極限真空下長期工作時,應聯接氣蝕保護管,以對泵進行保護并消除氣蝕聲。作為壓縮機使用時,其壓力最大至0.26MPa(絕壓)。作為壓縮機使用時,隨著排氣壓力的升高會造成2BV泵功率的加大,訂貨時應注明排氣壓力以選擇適當的電機功率。
2BV型水環式真空泵作為新一代節能型產品,其以出色的性能及眾多優點將全面取代同性能的SK、2SK系列水環真空泵及W、WY、WLW系列往復真空泵。
2BV2-Ex、2BV6系列水環式真空泵/壓縮機主要用于抽除爆炸性氣體,及在各類易燃、易爆環境中工作,其性能參數與2BV2、2BV5系列相應型號相同。
2BV系列不銹鋼真空泵可使用在各種耐腐蝕要求較高的場合及潔凈度要求較高的場合。根據工況2BV系列不銹鋼真空泵的全部過流部件:泵體、泵蓋、圓盤、葉輪材質可選用SUS304(0Cr18Ni9)、SUS316(0Cr17Ni12Mo2)、SUS316L(00Cr17Ni14Mo2)等各類不銹鋼材質,泵軸材質:2Cr13或0Cr18Ni12Mo2Ti
2BV型水環式真空泵機械密封采用進口產品,密封件可采用氟橡膠或聚四氟乙烯.
相對于國內同類型SK、2SK、SZ等水環式真空泵,其有以下特點:
·2BV型水環式真空泵機泵同軸式直聯設計,節省空間,易于安裝。
·2BV型水環式真空泵全部采用國外進口機械密封作為標準配置。
·2BV型水環式真空泵全部設有氣蝕保護管接口,如在極限壓力下工作,開啟氣蝕保護管接口(或與分離器連接)可在最大限度保證吸氣效果的情況下消除氣蝕聲,并對泵進行保護。
·鋁青銅葉輪強度高,經久耐用,并提高了2BV型水環式真空泵的耐腐蝕性。如過流部件采用不銹鋼材質,可工作在更為苛刻的環境中。
·獨特的柔性排氣口設計,不會產生過壓縮,確保了2BV型水環式真空泵在其性能范圍內效率最佳
·全部采用Y2系列電機,防護等級IP54、IP55(普通為IP44)
·2BV型水環式真空泵全部采用NTN或NSK進口軸承
二、2BV型水環式真空泵的應用范圍:
2BV水環式真空泵的主要應用領域 | |||
真空過濾 | (化學制品過濾廠,化學制品處理廠,鐵礦廠,采礦業,磷肥廠,造紙廠,家禽加工廠,選煤廠) | 蒸汽回收 | (蒸餾器,裝卸站) |
水泵引水 | (自來水廠) | ||
冷凝器水箱補水 | (電站) | ||
真空蒸餾 | (牛奶廠,食品廠,化工廠,紙漿廠) | 烘干 | (化工、醫藥制造業) |
真空消毒 | (醫院,醫務室,實驗室) | 木材處理/干燥 |
|
擠出成型 | (塑料行業) | 醫藥/實驗室真空 | |
成型 | (塑料,聚乙烯,橡膠,輪胎等制造業) | 溶劑回收 | |
浸漬 | (食品加工,木器加工,紡織廠,膠合板廠,電線桿的制造等) | 土壤凈化 | |
真空包裝 | |||
液體脫氣 | (食品加工,水軟化,瓶裝廠) | 萃取 | |
壓縮空氣再生 | (紙漿,鋼鐵,汽車,玻璃,化工) | 制革 | |
食品加工 | (食品加工廠,牛奶廠) | 罐裝 | |
三、2BV型水環式真空泵的技術參數表:
產品型號 | 極限壓力 | 最大氣量 | 功 率 | 轉 速 | 水耗量 | 噪 聲 | 重 量 |
2060 | 33(3300) | 0.45 | 0.87 | 2880 | ~2 | 62 | 20 |
2061 | 33(3300) | 0.87 | 1.45 | 2880 | ~2 | 65 | 22 |
2070 | 33(3300) | 1.33 | 2.35 | 2880 | ~2.5 | 66 | 31 |
2071 | 33(3300) | 1.83 | 3.85 | 2880 | ~4.2 | 72 | 42 |
5110 | 33(3300) | 2.75 | 4 | 1450 | ~7 | 63 | 78 |
5111 | 33(3300) | 3.83 | 5.5 | 1450 | ~8.5 | 68 | 100 |
5121 | 33(3300) | 4.68 | 7.5 | 1450 | ~10 | 69 | 145 |
5131 | 33(3300) | 6.68 | 11 | 1450 | ~15 | 73 | 165 |
5161 | 33(3300) | 8.3 | 15 | 970 | ~20 | 74 | 252 |
6110 | 33(3300) | 2.75 | 4 | 1450 | ~7 | 63 | 107 |
6111 | 33(3300) | 3.83 | 5.5 | 1450 | ~8.5 | 68 | 142 |
6121 | 33(3300) | 4.68 | 7.5 | 1450 | ~10 | 69 | 198 |
6131 | 33(3300) | 6.68 | 11 | 1450 | ~15 | 73 | 238 |
6161 | 33(3300) | 8.3 | 15 | 970 | ~20 | 74 | 350 |
注:
1、表中所列數據在下列技術條件下測出:
①大氣壓力101325Pa(1013mbar)
②進水溫度15℃
③吸入空氣溫度20℃
④空氣相對濕度70%?
2、性能允許偏差±10%
2BV水環真空泵的極限真空取決于工作液工作溫度和所用的工作液體種類。真空泵在不帶氣蝕保護時,吸氣壓力不得低于80mbar,這是為了避免在水溫15℃,所抽除干空氣溫度在20℃時在泵內引起氣蝕,溫度越高,取決于工作液飽和蒸汽壓力,所允許的最低吸氣壓力也會更高些。
四、2BV型水環式真空泵的工作原理:
2BV型水環式真空泵如圖(一)所示葉輪3偏心地安裝在泵體之內,起動時向泵內注入一定高度的水,因此當葉輪3旋轉時,水受離心力的作用而在泵體內壁形成一旋轉水環1,水環下部內表面與輪轂相切,沿箭頭方向旋轉,在前半轉過程中,2BV型水環式真空泵水環內表面逐漸與輪轂脫離,因此在葉輪葉片間與水環形成封閉空間,隨著葉輪的旋轉,該空間逐漸擴大,空間氣體壓力降低,氣體自圓盤吸氣口被吸入;在后半轉過程中,水環內表面逐漸與輪轂靠近,葉片間的空間逐漸縮小,空間氣體壓力升高,高于排氣口壓力時,葉片間的氣體自圓盤排氣口被排出。如此葉輪每轉動一周,葉片間的空間吸排氣一次,許多空間不停地工作,2BV型水環式真空泵就連續不斷地抽吸或壓送氣體。
2BV型水環式真空泵由于在工作過程中,做功產生熱量,會使工作水環發熱,同時一部分水和氣體一起被排周,因此,在工作過程中,必須不斷地給泵供水,以冷卻和補充泵內消耗的水,滿足泵的工作要求。
當2BV型水環式真空泵排出的氣體不再利用時,在2BV型水環式真空泵排氣口上接有氣水分離器,廢氣和所帶的部分水排入氣水分離器后,氣水分離,氣體由排氣管排出,留下的水經回水管供至泵內繼續使用。隨著工作時間的延長,工作水溫度會不斷地升高,這時需從供水管供給冷水,以降低工作水的溫度,保證泵能達到所要求的技術要求和性能指標。

圖(一)2BV型水環式真空泵及壓縮機工作原理圖
當2BV型水環式真空泵作為壓縮機使用時,泵排氣口接有氣水分離器,氣水混合物進入氣水分離器后自動分,氣體由排氣管輸送到所需系統而工作水經過分離器進入2BV型水環式真空泵內。壓縮氣體時,工作水極易熱,水由泵排氣口排出,溫度會變的較高,要由供水管不斷地供給冷水.以補充被放走的水,同時起冷卻作用,使工作水溫度不致過高,從而保證壓縮機性能,達能技術指標,滿工藝要求。
五、2BV型水環式真空泵的安裝說明與安裝尺寸:
2BV型水環式真空泵及壓縮機系統由真空泵(壓縮機)、電動機、氣水分離器管路組成,如圖(二)所示。
2BV型水環式真空泵及壓縮機與氣水分離器的工作過程如下:氣體由管路經閥門進入2BV真空泵或壓縮機,然后經排氣管進入氣水分離器中,經氣水分離器排氣管排出。當作為壓縮機使用時,經壓縮機排出的氣水混合物在氣水分離器中分離后,氣體經閥門輸送到需要壓縮氣體的系統上去。2BV型水環式真空泵或壓縮機內的工作水是由氣水分離器不經冷卻排至真空泵重新使用,其余工作水由供水管補充,供水量的大小,由供水管上的閥門來調整。
氣體抽吸和壓送系統的區別僅在于氣水分離器的內部構造有所不同。抽吸氣體時,吸氣口壓力低于大氣壓,而排氣口壓力等于大氣壓,氣水分離器有溢水管;壓送氣體時,吸氣口為常壓(也可為真空狀態),排氣口壓力高于一個大氣壓,為保證輸送氣體壓力,氣水分離器的水位通過溢水開關來控制。


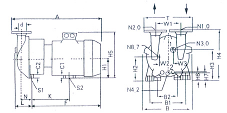
2BV-2060/2061/2070/2071水環真空泵外形尺寸
型號 | A | B | B1 | H1 | H2 | H3 | H4 | H6 | E | P2 | P3 | R | M | S2 | W1 | W2 | W3 | d | N3.0 | N4.2 | N8.7 |
2060 | 455 | 186 | 140 | 90 | 118 | 126 | 195 | 37.5 | 100 | 250 | 180 | 217 | 244 | Φ10 | 110 | 26 | 21 | G1″ | G3/8″ | G1/4″ | G3/8″ |
2061 | 476 | 186 | 140 | 90 | 118 | 195 | 195 | 37.5 | 100 | 250 | 180 | 236 | 263 | Φ10 | 110 | 26 | 21 | G1″ | G3/8″ | G1/4″ | G3/8″ |
2070 | 545 | 223 | 160 | 222 | 100 | 128 | 222 | 33 | 140 | 270 | 203 | 252 | 280 | Φ12 | 110 | 33 | 27 | G1 | G3/8″ | G1/4″ | G3/8″ |
2071 | 566 | 223 | 234 | 140 | 112 | 140 | 234 | 45 | 190 | 300 | 225 | 278 | 309 | Φ12 | 110 | 33 | 37 | G1 | G3/8″ | G1/4″ | G3/8″ |
|
|
N1.0 吸氣口。N2.0 排氣口。N3.0 工作液接口。N4.2 排水口。N8.7 氣蝕保護(內置) | |
2BV-5110/5111/5121/5131/5161水環真空泵外形尺寸 | |
A | B | B1 | B2 | C1 | C2 | H1 | H2 | H3 | H4 | H5 | H6 | H7 | F | K | L | N | T | S1 | S2 | d1 | d2 | d3 | d4 | d5 | W1 | |
5110 | 637 | 325 | 255 | 190 | 41 | 26 | 140 | 156 | 202 | 361 | 328 | 38 | 57 | 464 | 320 | 130 | 92 | 340 | Φ12 | Φ12 | 19 | 160 | 123 | 97 | 52 | 180 |
5111 | 672 | 325 | 265 | 290 | 38 | 26 | 150 | 166 | 212 | 371 | 363 | 48 | 68 | 500 | 325 | 130 | 92 | 340 | Φ12 | Φ12 | 19 | 160 | 123 | 97 | 52 | 180 |
5121 | 771 | 347 | 265 | 290 | 36 | 26 | 150 | 167 | 217 | 385 | 363 | 39 | 60 | 584 | 410 | 147 | 97 | 382 | Φ12 | Φ12 | 19 | 182 | 142 | 113 | 67 | 200 |
5131 | 840 | 377 | 300 | 335 | 35 | 30 | 175 | 194 | 249 | 427 | 435 | 53 | 76 | 659 | 440 | 147 | 103 | 382 | Φ12 | Φ12 | 19 | 182 | 142 | 113 | 67 | 200 |
5161 | 1044 | 479 | 370 | 389 | 52 | 30 | 210 | 225 | 303 | 521 | 485 | 51 | 80 | 808 | 570 | 201 | 138 | 450 | Φ15 | Φ15 | 22 | 200 | 156 | 130 | 80 | 250 |
W2 | W3 | d(N1.0,N2.0) | N3.0 | N4.2 | N8.7 | |
5110 | 52 | 27 | DN50/2″ | G3/4″(絲長24) | G3/8″(絲長25) | G3/8″(絲長11) |
5111 | 52 | 27 | DN50/2″ | G3/4″(絲長24) | G3/8″(絲長25) | G3/8″(絲長11) |
5121 | 57 | 29 | DN65/2″ | G3/4″(絲長24) | G3/8″(絲長25) | G3/8″(絲長11) |
5131 | 63 | 32 | DN65/2″ | G3/4″(絲長24) | G3/8″(絲長25) | G3/8″(絲長11) |
5161 | 81 | 41 | DN80/3″ | G3/4″(絲長24) | G3/8″(絲長25) | G3/8″(絲長11) |
|
|
|
|
N1.0 吸氣口、N2.0 排氣口、N3.0 工作液接口、N4.2 排水口、N8.7 氣蝕保護(內置) | |
2BV-6110/6111/6121/6161/水環真空泵外形尺寸 | |
Amax | B | B1 | C1 | F1 | F2max | H1 | H2 | H3 | H4 | H6 | H7 | K | L | N | |
6110-H..0 | 1097 | 330 | 255 | 26 | 291 | 446 | 160 | 173 | 223 | 381 | 58 | 77 | 319 | 319 | 281 |
6110-K..0 | 1190 | 330 | 255 | 26 | 291 | 540 | 160 | 173 | 223 | 381 | 58 | 77 | 319 | 319 | 281 |
6111-K..0 | 1291 | 330 | 279 | 26 | 360 | 500 | 180 | 196 | 242 | 401 | 78 | 97 | 349 | 349 | 311 |
6121-K..0 | 1332 | 351 | 279 | 26 | 361 | 540 | 180 | 197 | 247 | 415 | 69 | 90 | 384 | 384 | 340 |
6131-K..0 | 1525 | 382 | 320 | 26 | 461 | 615 | 215 | 234 | 287 | 467 | 93 | 116 | 405 | 405 | 353 |
6161-K..0 | 1680 | 484 | 320 | 26 | 461 | 705 | 230 | 230 | 310 | 526 | 56 | 85 | 477 | 477 | 413 |
W1 | W2 | W3 | S1 | T | d1 | d2 | d3 | d4 | d5 | d(N1.0, N2.0) | N3.0 | N4.2 | N8.7 | |
6110-0..... | 180 | 52 | 27 | Φ13×23 | 340 | 19 | 160 | 123 | 97 | 52 | DN50/2″ | ″DN15+G3/4″(絲長24) | G3/8″(絲長25) | G3/8″(絲長11) |
6110-0..... | 80 | 52 | 27 | Φ13×23 | 340 | 19 | 160 | 123 | 97 | 52 | DN50/2″ | ″DN15+G3/4″(絲長24) | G3/8″(絲長25) | G3/8″(絲長11) |
6121-0..... | 200 | 57 | 29 | Φ13×23 | 382 | 19 | 182 | 142 | 113 | 67 | DN60/21/2″ | ″DN15+G3/4″(絲長24) | G3/8″(絲長25) | G3/8″(絲長11) |
6131-0..... | 200 | 63 | 29 | Φ13×27 | 382 | 19 | 182 | 142 | 113 | 67 | DN60/21/2″ | ″DN15+G3/4″(絲長24) | G3/8″(絲長25) | G3/8″(絲長11) |
6161-0..... | 250 | 81 | 41 | Φ13×27 | 450 | 22 | 200 | 156 | 130 | 80 | DN80/3″ | ″DN15+G3/4″(絲長24) | G3/8″(絲長25) | G3/8″(絲長11) |
六、2BV水環式真空泵的產品說明:
2BV真空泵由真空泵、電動機、組成,如圖5所示。
2BV真空泵與氣水分離器的工作過程如下:氣體由管路經閥門進入2BV真空泵,然后經排氣管進入氣水分離器中,經氣水分離器排氣管排出。當作為壓縮機使用時,經壓縮機排出的氣水混合物在氣水分離器中分離后,氣體經閥門輸送到需要壓縮氣體的系統上去。2BV真空泵或壓縮機內的工作水是由氣水分離器不經冷卻排至真空泵重新使用,其余工作水由供水管補充,供水量的大小,由供水管上的閥門來調整。供水量可按電機大小來調節,流量大,電機電流會越大,在電機額定電流內可自行調節水量,但如果持續電流過大會導致電機燒毀。
氣體抽吸和壓送系統的區別僅在于氣水分離器的內部構造有所不同。抽吸氣體時,吸氣口壓力低于大氣壓,而排氣口壓力等于大氣壓,氣水分離器有溢水管;壓送氣體時,吸氣口為常壓(也可為真空狀態),排氣口壓力高于一個大氣壓,為保證輸送氣體壓力,氣水分離器的水位通過溢水開關來控制。
|
圖5 2BV水環泵系統示意圖 |
1. 2BV 真空泵 2. 供水管 3. 逆止閥 4. 吸氣管 5. 氣水分離器 6. 排氣管 7. 溢水管 |
七、2BV水環式真空泵的啟動及停車
1、水環真空泵啟動
水環真空泵長期停車的泵在開動以前,必須用手轉動數圈,以證實水環真空泵內沒有卡住或其它損壞現象。
水環真空泵啟動按以下順序進行(參見圖5)
(1)打開排氣管閥門。
(2)迅速打開圖5供水管2。逐漸增加供水量,至供水量符合規定要求為止,(應注意不要干運行真空泵)。
(3)啟動電動機(應注意電機的正反轉)
2、水環真空泵停車
水環真空泵停車按以下順序:
(1)(如進氣管有閥門)關閉進氣管上的閥門。
(2)關閉供水管2,并迅速關停真空泵。
(3)停車后應將泵腔內的水放掉,以免再次啟動時,會造成葉片與泵軸斷裂。
總結:啟停過程中開關進氣口與系統連接的閥門是必要的。泵的啟停順序要嚴格執行:先開供水,再開真空泵,再開系統閥門。關機時先關系統閥門再關水,然后關泵。因為2BV水環式真空泵采用的是機械密封,最好的機械密封耐高溫在只能在300℃左右,如果開啟真空泵時沒有先開水,真空泵在無水情況下轉動,(電機轉速一般970R/MIN,1450R/MIN,2900R/MIN),如此高速的轉動下,機械密封的兩個接觸面會摩擦發熱,溫度過高機械密封會破裂,產生泄露,影響到真空泵的正常的工作。另外如真空泵進氣口與系統間沒有安裝閥門,或開關頻繁沒有及時開關閥門,可在進氣口前加裝止回閥,或真空阻液器,防止真空泵的工作液在停機的時候從進氣口返到被抽系統中。
八、2BV水環式真空泵的設備安裝
1、水環真空泵的安裝:
水環真空泵和壓縮機在安裝時,安裝面必須水平,并通過底角的孔用螺栓安裝牢固。為防止在安裝時焊渣進入真空泵,在安裝時,應在吸氣管上安裝上過濾網。
2、水環真空泵氣水分離器的安裝
水環真空泵氣水分離器可直接安裝在水環真空泵的排氣口上,并用螺栓固定牢固。氣水分離器有一管路與泵相連,由此供給水環真空泵工作需水量,其余工作水由供水管供給,供水量大小由管路上的閥門調節。
水環真空泵或壓縮機的進氣管上應裝有逆止閥,以便在停車時,防止真空泵或壓縮機內的水在排氣管方面的壓力作用下返回系統。
九、2BV水環式真空泵的維護
1、2BV型水環式真空泵為避免磨損葉輪、泵體或卡住葉輪,隨氣體和工作液進入泵腔的灰塵顆粒,可通過2BV型水環式真空泵泵底部的沖洗口沖洗掉。
2、如果用硬水作工作液,須經軟化,或在一定周期內用溶液清洗泵。
3、2BV型水環式真空泵電動機常工作的軸承比周圍溫度高15℃~20℃,最高不允許超過55℃~60℃,正常工作的軸承每年應裝油1-2次,每年至少清洗軸承一次,并將潤滑油全部更換。
4、2BV型水環式真空泵采用的機械密封,出現泄漏現象,應檢查機械密封的動、靜環是否已損壞,或是密封圈已老化,如出現上述情況,均需更換新零件。
十、2BV水環式真空泵的故障和消除方法
2BV型水環式真空泵故障現象 | 2BV型水環式真空泵可能原因 | 2BV型水環式真空泵排除方法 |
2BV真空泵電機不起動;無聲音 | 兩根電源線斷裂 | 檢查接線 |
電機不起動;有嗡嗡聲 | 一根接線斷,電機轉子堵轉 | 必要時排空清潔泵,修正葉輪間隙 |
電機開動時,電流斷路器跳閘 | 繞組短路 | 檢查電機繞組 |
消耗功率過高 | 產生沉淀 | 清潔、除掉沉淀 |
2BV真空泵不產生真空 | 無工作液 | 檢查工作液 |
2BV真空泵真空度太低 | 泵太小 | 用大一點的泵 |
2BV真空泵尖銳噪聲 | 產生氣蝕 | 聯接氣體蝕保護件 |
2BV真空泵泄漏 | 密封墊壞 | 檢查所有密封面 |
2BV水環式真空泵的訂貨須知:
一、請提供以下詳細數據:①2BV水環式真空泵的產品名稱與型號②2BV水環式真空泵的真空度要求單位PA或MPA③2BV水環式真空泵抽速要求單位L/S或M3/MIN④2BV水環式真空泵的使用條件和功況條件⑤2BV水環式真空泵的電機功率(KW)⑥2BV水環式真空泵的轉速(r/min)⑦2BV水環式真空泵的電壓〔V〕⑧2BV水環式真空泵的進出口口徑⑨2BV水環式真空泵是否帶附件,以便我們的為您正確選型。
二、若已經由設計單位選定我公司的2BV水環式真空泵的產品型號,請按2BV水環式真空泵的型號直接向公司銷售部訂購。
三、當使用的場合非常重要或環境比較復雜時,請您盡量提供設計圖紙和詳細參數,由我們的技術專家為您選型確認。









客服1