一、2BEA型水環式真空泵概述:
2BEA型水環式真空泵及壓縮機,是我公司在多年科研成果和生產經驗的基礎上,結合國際同類產品先進技術,研制開發的高效節能產品通常用于抽吸不含固體顆粒,不溶于水,無腐蝕性的氣體,以便在密閉容器中形成真空和壓力。通過改變結果材料,亦可用于抽吸腐蝕氣體或以腐蝕性液體做工作液。2BEA型水環式真空泵廣泛用于造紙、化工、石化、輕工、制藥、食品、冶金、建材、石器、洗煤、選礦、化肥等行業。
2BEA型水環式真空泵采用單級單作用的結構形式,具有結構簡單,維修方便,運行可靠,高效節能的優點,并能適應排水量大,載荷沖擊波動等惡劣工況。我們對于2BEA型水環式真空泵鍵部位,如分配板,葉輪和泵軸進行了系統優化設計,簡化了結構,提高了性能,實現節能,采用焊接葉輪,葉片一次沖壓、成型,型線合理;論彀全部加工,從根本上解決了動平衡問題。葉輪與泵軸采用熱裝過盈配合,性能可靠,運轉平穩。葉輪焊接后,整體運行良好的熱處理,葉片具有良好的韌性,使葉片的抗沖擊,抗折彎能力得以根本保證,2BEA型水環式真空泵能適應載荷沖擊波動的惡劣工況。
2BEA型水環式真空泵,自帶氣水分離器,多位置沒有排氣口,泵蓋設有排氣閥檢修窗口,葉輪與分配板間隙通過定位軸兩端壓蓋調整,安裝使用方便,操作簡單,便于維修。
二、2BEA型水環式真空泵的使用范圍:
1、2BEA型水環式真空泵可在環境溫度5~40℃范圍內和進口壓強小于1330Pa的條件下,允許長期連續工作。
2、2BEA型水環式真空泵不適用于抽除含氧過高、有毒的、有爆炸性的、對金屬有腐蝕作用的、對泵油起化學反應的,以及含有顆粒塵埃的氣體,也不適用于把氣體從一個容器輸送到另一個容器,作輸送泵用。
3、2BEA型水環式真空泵在大氣壓到6000Pa的進口壓力下的連續工作時間不超過3分鐘,以免噴油或潤滑不良引起泵損壞。
三、2BEA型水環式真空泵/壓縮機內部結構圖及特點:

2BEA102~253水環式真空泵/壓縮機

2BEA303~355水環式真空泵/壓縮機
2BEA型水環式真空泵相對于目前國內廣泛使用的SK、2SK、SZ系列水環式真空泵具有真空度高、功耗低等顯著優點,是SK、2SK、SZ系列水環式真空泵理想替代產品,我公司生產的2BEA型水環式真空泵
及壓縮機結構主要特點如下:
◆軸承全部采用原裝進口軸承,保證了2BEA型水環式真空泵的葉輪精確定位及運轉過程中的高穩定性。
◆葉輪材質全部采用球墨鑄鐵鑄造或鋼板焊接,充分保證了2BEA型水環式真空泵葉輪在各種惡劣工況下的穩定性,且大大提高了2BEA型水環式真空泵的使用壽命。
◆泵體全部采用鋼板制作,提高了2BEA型水環式真空泵的使用壽命。
◆2BEA型水環式真空泵的軸套作為最易損壞的零件,本公司全部采用高鉻不銹鋼制作,比普通材質壽命提高了5倍。
◆2BEA型水環式真空泵皮帶輪(皮帶傳動)采用標準高精度錐套皮帶輪,運行可靠,皮帶壽命長,拆卸方便。
◆2BEA型水環式真空泵聯軸器(直聯傳動)采用標準高強度彈性聯軸器,彈性元件采用聚氨酯材質,運行穩定可靠,使用壽命長。
◆獨特的上置式氣水分離器節約空間,并有效降低了2BEA型水環式真空泵噪聲。
◆鑄件全部采用樹脂砂鑄造,表面質量好。鑄件表面無需打膩,使2BEA型水環式真空泵散熱效果最佳。
◆機械密封(選配件)全部采用進口件,充分保證2BEA型水環式真空泵在長時間運行過程中無泄漏。
◆2BEA型水環式真空泵泵體內壁型線采用近似橢圓的型線以保證最佳的抽氣效果。
四、2BEA水環式真空泵技術參數:



注:以上所選電機功率可在大多工況下工作。如排氣口壓力較高(0.02~0.05MPa),則應相應加大電機功率;如 2BEA水環式真空泵正常工作時軸功率較小,也可選用接近軸功率的電機功率,如此更為節能。
五、2BEA 系列水環真空泵耗水量:
型號 | 標準轉速 rpm | 轉速范圍 rpm | 在以下吸入壓力(mbar,絕壓)時的耗水量 m3/h | |||||||
≤160 | 200 | 300 | 400 | 500 | 600 | 700 | >800 | |||
2BE1 102-0 | 1450 | 1300~1750 | 1.1 | 1.1 | 0.73 | 0.73 | 0.73 | 0.73 | 0.36 | 0.36 |
2BE1 103-0 | 1450 | 1300~1750 | 1.4 | 1.4 | 0.93 | 0.93 | 0.93 | 0.93 | 0.47 | 0.47 |
2BE1 151-0 | 1450 | 1100~1750 | 1.5 | 1.5 | 1 | 1 | 1 | 1 | 0.5 | 0.5 |
2BE1 152-0 | 1450 | 1100~1750 | 1.7 | 1.7 | 1.13 | 1.13 | 1.13 | 1.13 | 0.57 | 0.57 |
2BE1 153-0 | 1450 | 1100~1750 | 1.9 | 1.9 | 1.27 | 1.27 | 1.27 | 1.27 | 0.63 | 0.63 |
2BE1 202-0 | 980 | 790~1300 | 2.1 | 2.1 | 1.4 | 1.4 | 1.4 | 1.4 | 0.7 | 0.7 |
2BE1 203-0 | 980 | 790~1300 | 2.6 | 2.6 | 1.73 | 1.73 | 1.73 | 1.73 | 0.87 | 0.87 |
2BE1 252-0 | 740 | 558~938 | 4.4 | 4.4 | 2.93 | 2.93 | 2.93 | 2.93 | 1.47 | 1.47 |
2BE1 253-0 | 740 | 560~938 | 5.2 | 5.2 | 3.47 | 3.47 | 3.47 | 3.47 | 1.73 | 1.73 |
2BE1 303-0 | 660 | 466~743 | 8.5 | 8.5 | 6.8 | 6.8 | 5.7 | 5.7 | 2.9 | 2.9 |
2BE1 303-2 | 660 | 466~743 | - | 9.1 | 7.9 | 6.7 | 5.6 | 4.4 | 3.2 | 2.0 |
2BE1 305-1 | 660 | 466~743 | 8.2 | 8.2 | 7.8 | 7.0 | 6.0 | 5.1 | 4.2 | 3.3 |
2BE1 306-1 | 660 | 466~743 | 8.2 | 8.2 | 7.8 | 7.0 | 6.0 | 5.1 | 4.2 | 3.3 |
2BE1 353-0 | 530 | 372~660 | 11.2 | 11.2 | 9.0 | 9.0 | 7.5 | 7.5 | 3.8 | 3.8 |
2BE1 353-2 | 530 | 372~660 | - | 12.1 | 10.5 | 9.0 | 7.4 | 5.8 | 4.3 | 2.7 |
2BE1 355-1 | 530 | 372~660 | 10.9 | 10.9 | 10.4 | 9.3 | 8.0 | 6.7 | 5.5 | 4.3 |
2BE1 356-1 | 530 | 372~660 | 10.9 | 10.9 | 10.4 | 9.3 | 8.0 | 6.7 | 5.5 | 4.3 |
2BE1 403-0 | 420 | 330~565 | 16.0 | 16.0 | 12.8 | 10.7 | 10.7 | 8.7 | 7.2 | 5.4 |
2BE1 405-1 | 420 | 330~565 | 14.7 | 14.7 | 14.2 | 12.6 | 10.9 | 9.2 | 7.7 | 5.9 |
注:1、工作液種類:通常情況下用水,標準溫度15℃(范圍0℃至65℃);或其溫度至少要低于其沸點10℃。2、以上耗水量為在標準轉速下所需的耗水量,對不同轉速,數據表中的流量值應乘以(實際轉速÷標準轉速)3、如需增加工作液流量,則數據表中的流量加倍。
六、2BE1系列水環壓縮機耗水量:
型號 | 標準轉速 rpm | 轉速范圍 rpm | 在以下排氣壓力(bar,絕壓)時的耗水量 m3/h | |||||||
1.2 | 1.4 | 1.5 | 1.6 | 1.8 | 2.0 | 2.2 | 2.4 | |||
2BE1 102-8 | 1450 | 1300~1750 | 0.8 | 0.9 | 0.9 | 1.1 | 1.2 | 1.3 | 1.5 | - |
2BE1 103-8 | 1450 | 1300~1750 | 0.8 | 1.1 | 1.1 | 1.3 | 1.5 | 1.6 | 1.8 | - |
2BE1 151-8 | 1450 | 1100~1750 | 0.9 | 1.2 | 1.2 | 1.4 | 1.6 | 1.7 | 1.9 | - |
2BE1 152-8 | 1450 | 1100~1750 | 1.0 | 1.3 | 1.3 | 1.5 | 1.7 | 1.8 | 2.0 | - |
2BE1 153-8 | 1450 | 1100~1750 | 1.2 | 1.5 | 1.5 | 1.7 | 1.9 | 2.0 | 2.2 | - |
2BE1 202-8 | 980 | 790~1300 | 0.3 | 0.5 | 0.6 | 0.7 | 0.9 | 1.1 | 1.4 | - |
2BE1 203-8 | 980 | 790~1300 | 0.4 | 0.6 | 0.7 | 0.7 | 0.9 | 1.2 | 1.5 | - |
2BE1 252-8 | 740 | 558~938 | 1.3 | 2.1 | 3.0 | 3.2 | 4.3 | 5.4 | 6.4 | 7.5 |
2BE1 253-8 | 740 | 560~938 | 1.7 | 2.5 | 3.0 | 3.3 | 4.4 | 5.5 | 6.9 | 8.3 |
2BE1 303-8 | 660 | 466~743 | 2.3 | 3.2 | 4.0 | 4.6 | 6.0 | 8.0 | 9.5 | 10.9 |
2BE1 305-8 | 660 | 466~743 | 2.3 | 3.2 | 4.0 | 4.6 | 6.0 | 8.0 | 9.5 | 12.0 |
2BE1 355-8 | 530 | 372~660 | 3.2 | 4.4 | 5.2 | 6.3 | 8.3 | 10.8 | 13.0 | 16.0 |
2BE1 405-8 | 420 | 330~565 | 4.3 | 5.7 | 6.8 | 8.4 | 11.0 | 14.5 | 17.5 | 22 |
七、2BE3水環真空泵性能表:
型號 | 轉速 | 最大軸功率 | 電機功率 | 最大抽氣速率 | 極限真空度 | 泵頭重量 | |
m3/h | m3/min | ||||||
2BE3 400 | 340(皮帶/減速機) | 82 | 110 | 4850 | 80.8 | 160 | 3275 |
2BE3 420 | 340(皮帶/減速機) | 108 | 132 | 6650 | 110.8 | 160 | 3720 |
2BE3 500 | 260(減速機) | 142 | 160 | 8700 | 145.0 | 160 | 6110 |
2BE3 520 | 260(減速機) | 172 | 200 | 10700 | 178.3 | 160 | 6740 |
2BE3 600 | 230(減速機) | 205 | 250 | 12700 | 211.7 | 160 | 9100 |
2BE3 620 | 230(減速機) | 250 | 280 | 15600 | 260.0 | 160 | 10700 |
2BE3 670 | 210(減速機) | 280 | 315 | 18300 | 305 | 160 | 12700 |
2BE3 720 | 190(減速機) | 345 | 400 | 21900 | 365 | 160 | 15700 |
注:1、以上所選電機功率可在大多工況下工作。如排氣口壓力較高(表壓0.02~0.05MPa),則應相應加大電機功率;如實際2BE3真空泵的工作壓力對應的軸功率較小(參照軸功率曲線),也可選用接近軸功率的電機功率,如此可更為節能。
2、以上真空泵轉速為參考轉速,實際轉速根據傳動方式及客戶要求確定。
3、2BE3 400/420皮帶傳動可選擇轉速:327/349/393/446/475/498/527rpm。
4、2BE3 500以上真空泵不推薦皮帶傳動。
5、減速機傳動安裝尺寸需確定轉速、減速機生產廠家后確定。
6、上表所列抽氣速率為該泵的最大抽氣速率,實際抽氣速率隨吸入壓力而變化,請參照“性能曲線”選型。
7、注:水環真空泵的水溫對其性能影響較大,而水環真空泵的性能曲線均為在15℃的水溫條件下測得,因此在實際選用水環真空泵時應對水環真空泵的抽氣速率進行修正。修正方法請參照:水溫對水環真空泵性能的影響。
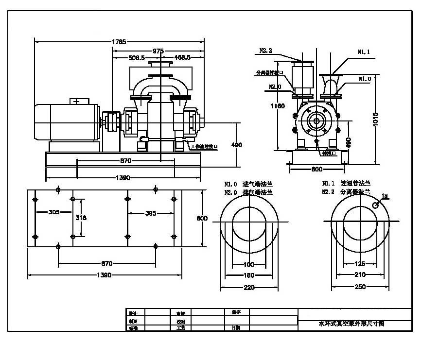
八、2BE水環式真空泵安裝尺寸圖:

九、2BE水環式真空泵及壓縮機結構主要特點:
1、軸承全部采用原裝進口軸承,保證了2BE真空泵的葉輪精確定位及運轉過程中的高穩定性。
2、葉輪材質全部采用球墨鑄鐵鑄造或鋼板焊接,充分保證了2BE真空泵葉輪在各種惡劣工況下的穩定性,且大大提高了3、3、2BE真空泵的使用壽命。
4、泵體全部采用鋼板制作,提高了2BE真空泵的使用壽命。
5、2BE真空泵的軸套作為最易損壞的零件,本公司全部采用高鉻不銹鋼制作,比普通材質壽命提高了5倍。
6、皮帶輪(皮帶傳動)采用標準高精度錐套皮帶輪,運行可靠,皮帶壽命長,拆卸方便。
7、聯軸器(直聯傳動)采用標準高強度彈性聯軸器,彈性元件采用聚氨酯材質,運行穩定可靠,使用壽命長。
8、獨特的上置式氣水分離器節約空間,并有效降低了噪聲。
9、鑄件全部采用樹脂砂鑄造,表面質量好。鑄件表面無需打膩,使2BE真空泵散熱效果最佳。
10、機械密封(選配件)全部采用進口件,充分保證2BE系列真空泵在長時間運行過程中無泄漏。
11、泵體內壁型線采用近似橢圓的型線以保證最佳的抽氣效果。
十、2BE水環式真空泵的使用說明:
1.啟動前應用手轉動聯軸器數圈以確定泵內無卡住現象,確定電機轉向是否與泵的轉向一致,按以下順序啟動。
(1)關閉進氣管路上的閥門
(2)啟動電動機(從泵聯器端看泵為順時針方向旋轉,右為吸氣口,左為排氣口)
(3)打開供水管路上的閥門,逐漸增加供水量,直到達到要求為止。
(4)當真空泵達到極限壓力時,打開進氣管路上的閥門,泵開始正常工作。
(5)調整填料壓蓋,使水成滴往外滴好。
(6)真空泵在極限壓力下工作時,泵內可能由于物理作用產生爆炸聲,可調節進氣管路上的閥門,增加進氣量,爆炸聲即行消失,若不能消失,應檢查其他原因。
2.停車
(1)關閉進氣管路上的閥門。
(2)關閉供水管路上的閥門。
(3)關閉電動機。
(4)將真空泵內的工作液放掉以防銹蝕。(冬季以防凍裂)
3.維護
(1)檢查軸承的工作和潤滑情況,工作溫度比環境溫度高出15℃-20℃。最高不超出30℃,且每年加油3-4次,清洗一次。
(2)填料密封應定期壓緊填料,如果填料應磨損而不能密封,應更換填料。機械密封漏水應檢查密封動靜環是否損壞或密封圈老化,出現以上情況應更換配件。
(3)在出現特殊聲的音時,可拆下泵蓋上的壓板,查看葉輪面及閥板損壞情況。
十一、2BE水環式真空泵的拆裝及裝配:
1.拆卸(2BEA20-25)拆卸前將泵內水放掉,并將分離器與連通管管拆下,泵從后端(無聯軸器一端)拆順序為:
(1)拆下軸承室擋蓋,取下壓力墊圈,松開軸承室螺母,取下軸承室。
(2)拆軸承架,松開填料壓蓋螺母,取下填料壓蓋。
(3)松開拉緊螺栓,泵蓋底腳螺栓后,取下后端蓋。
(4)取下泵體。
(5)取下聯軸器及平鍵,松開并取下前承壓蓋。
(6)將泵軸與葉輪從前端蓋中一取出,松下前軸承架。2BEA30-35拆卸
(1)拆下后軸承蓋,拆下定位軸承緊固螺釘,移走調整墊片,松開定位軸承壓蓋螺母,取下軸承座及軸承壓蓋。
(2)取下填料壓蓋,取出填料函及填料壓圈。
(3)松開鏈接螺栓,取出泵蓋與泵體。
(4)取下聯軸器及前軸承壓蓋,用卡鉗取下軸用擋圈,取下甩油環。
(5)松開軸承壓蓋螺栓,依次取下軸承座,軸承壓蓋,填料壓蓋及填料函。
(6)將葉輪與軸一起取下。拆卸完畢后,將配合面擦凈,圖上機油。
2.裝配將各配合面擦凈,軸承清理后涂上新油,軸承座內也涂上新油,裝配順序與拆卸相反。此時應調整好葉輪在泵體內的位置,端面間隙如下表:葉輪直徑一側最小間隙兩側總間隙
≤180 0.1-0.15 0.25-0.3
≥180-500 0.15-0.2 0.3-0.4
≥500-1000 0.25-0.35 0.5-0.7
≥1000 0.45-0.55 0.9-1.1
2BEA型水環式真空泵選型須知:
一、請提供以下詳細數據:
①2BEA型水環式真空泵的產品名稱與型號
②2BEA型水環式真空泵的真空度要求單位PAMPA
③2BEA型水環式真空泵抽速要求單位L/S或M3/MIN
④2BEA型水環式真空泵的使用與否和工作條件
⑤2BEA型水環式真空泵的電機功率(KW)
⑥2BEA型水環式真空泵的電機轉速(r/min)
⑦2BEA型水環式真空泵的電壓〔V〕
⑧2BEA型水環式真空泵的進出口口徑
⑨2BEA型水環式真空泵的材質要求
⑩2BEA型水環式真空泵是否帶附件,以便我們的為您正確選型。
二、若已經由設計單位選定我公司的2BEA型水環式真空泵的產品型號,請按2BEA型水環式真空泵型號直接向公司銷售部訂購。


客服1